Simple Helmet Speaker System

Status
Not open for further replies.
Ok so this is awesome. I've been tinkering for days now, and gosh dang it I can't get the darn speaker to go louder than a whisper. Followed the wiring diagram, tried two different amps and two different resistors. I'm using 60/40 lead/tin flux, and tried both the speaker linked in the post, and a different one, a 4ohm. This one. both speakers produce no more than a whisper. I used this amp. Using 26 gauge wire. Tried different resistors too, 330k on order right now. I'm about $70 into this $15 amp. Clearly I'm doing something wrong but just can't figure out what. OP and the subsequent post by Vulrath showed slightly different wiring schematics and I tried both. And while I don't have proper baffle on either speaker, the temp I rigged from card board did nothing. Sorry to bother you guys but if you have any thoughts on what Im doing wrong, I would gladly welcome a suggestion. Thanks and great work!
 
Hello all! Just a quick tutorial to make a speaker system for your helmet. Nothing fancy/no programming.

Things you will need:
3 AAA Battery Holder
One 4.7M ohm 1/4watt resistor
One Microphone Amplifier
One Sound Amplifier
One Speaker
wire and solder supplies

Step 1: Wire up the speaker. Pretty simple, only 2 wires. Nothing to it.
View attachment 284989

Step 2: wire up the microphone amplifier. 1 wire is for 5v, 1 ground, and one is out. Out get's the 4.7M Resistor.

View attachment 284990

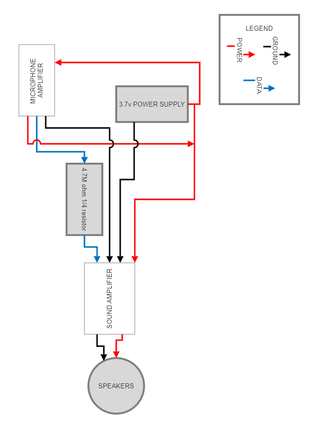
Step 3, wire up the rest. Please feel free to use my super awesome diagram below:

View attachment 284991
Yellow is data, black and green are ground, Red is power, and lavender is the positive from the speaker.


Step 4 Fit it into your helmet:
Please note that both the mic amplifier and speaker amplifier have adjustment knobs. I find that the mic adjustment was fine while the speaker knob (the one in the picture below) needs tweaking.

View attachment 285003

I would get a feedback because the speaker was too close to the mic so I had to adjust until it was fine.

View attachment 285006

And finally, my result.

Kudo to you ! I even add the lighting on both side
 
Hello all! Just a quick tutorial to make a speaker system for your helmet. Nothing fancy/no programming.

Things you will need:
3 AAA Battery Holder
One 4.7M ohm 1/4watt resistor
One Microphone Amplifier
One Sound Amplifier
One Speaker
wire and solder supplies

Step 1: Wire up the speaker. Pretty simple, only 2 wires. Nothing to it.
View attachment 284989

Step 2: wire up the microphone amplifier. 1 wire is for 5v, 1 ground, and one is out. Out get's the 4.7M Resistor.

View attachment 284990

Step 3, wire up the rest. Please feel free to use my super awesome diagram below:

View attachment 284991
Yellow is data, black and green are ground, Red is power, and lavender is the positive from the speaker.


Step 4 Fit it into your helmet:
Please note that both the mic amplifier and speaker amplifier have adjustment knobs. I find that the mic adjustment was fine while the speaker knob (the one in the picture below) needs tweaking.

View attachment 285003

I would get a feedback because the speaker was too close to the mic so I had to adjust until it was fine.

View attachment 285006

And finally, my result.

This is awesome. Thank you so much. My ODST helmet has perfect spots for this system so I will definitely be using this method. Is there much variation if you want to add a PTT?
 
Oh this is awesome! I was looking for a cheap and easy solution for both my ODST and Stormtrooper, and this looks like its it!
 
this is really awesome and just what i need for a storm trooper helmet i will be working on soon. question though and i know it's two years later.
but is that a generic file for the mic or did you custom design it?
and if you would could you maybe link it somewhere, since i am terrible at making such parts, and i got the exact same mic device.
 
this is really awesome and just what i need for a storm trooper helmet i will be working on soon. question though and i know it's two years later.
but is that a generic file for the mic or did you custom design it?
and if you would could you maybe link it somewhere, since i am terrible at making such parts, and i got the exact same mic device.
I designed the mic holder based on my mic I bought on ??amazon?? I want to say.

For the parts, just click here: https://www.405th.com/forums/attach...rian-helmet-mic-and-speaker-files-zip.291189/

I'll link it on page one as well.
 
I designed the mic holder based on my mic I bought on ??amazon?? I want to say.

For the parts, just click here: https://www.405th.com/forums/attach...rian-helmet-mic-and-speaker-files-zip.291189/

I'll link it on page one as well.
Thanks for the reply and info.

i do have a question, i made this thing, but the sound is pretty quiet.
i tried to turn the potentiometer, but it's only able to go so far before the speaker starts to crackle and just not sounding the way it should.
 
Thanks for the reply and info.

i do have a question, i made this thing, but the sound is pretty quiet.
i tried to turn the potentiometer, but it's only able to go so far before the speaker starts to crackle and just not sounding the way it should.
I don't know if you have one yet, but I think it's important to have some sort of echo chamber (resonating chamber) so that the speaker is more effective.

Otherwise, you may not like the results and something like this will be better off. Just hide the speaker in your chest armor.
1670427079707.png
 
I believe there was someone working on a tutorial to fix that problem. Though I don't know if they've gotten around to finishing the documentation.
It's me, I'm working on it. Hopefully out in the next couple of weeks!
 
i just ran across this item on you tube im looking at a trial from them to see how it works they tell me that there is a option coming soon for being able to hear human voices but it will cut off on loud noises. but i will be watching crimson viper to see what yhe comes up with.. but here is a link to the video

edit: untill i see it do not do anything im seeing a lot of people saying they bought them but have never got them sorry guys i jumped the gun on this..
 
Last edited:
Hello all! Just a quick tutorial to make a speaker system for your helmet. Nothing fancy/no programming.

Things you will need:
3 AAA Battery Holder
One 4.7M ohm 1/4watt resistor
One Microphone Amplifier
One Sound Amplifier
One Speaker
wire and solder supplies

Step 1: Wire up the speaker. Pretty simple, only 2 wires. Nothing to it.
View attachment 284989

Step 2: wire up the microphone amplifier. 1 wire is for 5v, 1 ground, and one is out. Out get's the 4.7M Resistor.

View attachment 284990

Step 3, wire up the rest. Please feel free to use my super awesome diagram below:

View attachment 284991
Yellow is data, black and green are ground, Red is power, and lavender is the positive from the speaker.


Step 4 Fit it into your helmet:
Please note that both the mic amplifier and speaker amplifier have adjustment knobs. I find that the mic adjustment was fine while the speaker knob (the one in the picture below) needs tweaking.

View attachment 285003

I would get a feedback because the speaker was too close to the mic so I had to adjust until it was fine.

View attachment 285006

And finally, my result.

100% saving this one! Well done!
 
That looks fantastic!! I should look at doing this for my helmet. Been trying to figure out how to do it, but you should me the best way to do it.
 
Status
Not open for further replies.
Back
Top