Ok. So I may be a couple days later than expected, but that only means one thing... More content! Yay!
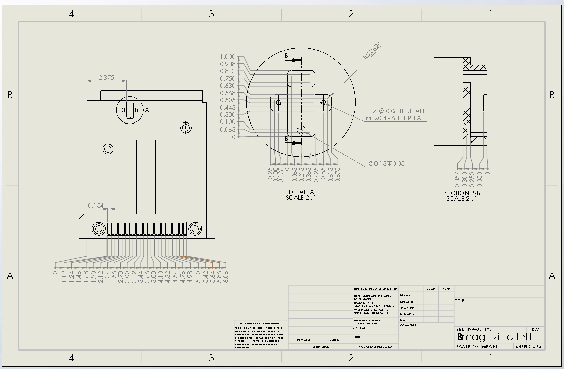
Alright, so on to the new stuff. The original intent for the receiver was to build each half in two pieces making a total of 4 pieces for just the body. The maximum length of material that I can get (based on my online shopping) is a 24 x 36 inch piece of plate aluminum. And each half of the body is 44 inches long. Therefore they need to be split up. However, after some hole features were added, it became evident that the body needed to be cut up some more. So now the body is in three pieces per side for a grand total of six pieces. Here's the left half apart and together:


Here's each piece:



And in the assembly:

I also worked on figuring out how to get the mag catch to work. A spring will hold back the release grip on the bottom of the receiver which will hold the piece sticking into the magazine in place. By pulling the grip towards the buttstock, the catch will slide out of the magazine and the magazine will be removed.



Other than that, I've modified some other parts. I poked some holes into the muzzle break and the barrel so that those can be machined and assembled reasonably.
The muzzle break is now in to pieces. The arrowhead and the post.


The barrel is also being held in place by two pins. They should prevent the barrel from rotating and since they're not screws, they should be fairly well hidden since the holes aren't that big.

Alright. So that's it for right now. More will be coming up soon. Need to finish a couple parts and get the scope mounting system figured out. Anyways, enjoy!

Alright, so on to the new stuff. The original intent for the receiver was to build each half in two pieces making a total of 4 pieces for just the body. The maximum length of material that I can get (based on my online shopping) is a 24 x 36 inch piece of plate aluminum. And each half of the body is 44 inches long. Therefore they need to be split up. However, after some hole features were added, it became evident that the body needed to be cut up some more. So now the body is in three pieces per side for a grand total of six pieces. Here's the left half apart and together:
Here's each piece:

And in the assembly:
I also worked on figuring out how to get the mag catch to work. A spring will hold back the release grip on the bottom of the receiver which will hold the piece sticking into the magazine in place. By pulling the grip towards the buttstock, the catch will slide out of the magazine and the magazine will be removed.



Other than that, I've modified some other parts. I poked some holes into the muzzle break and the barrel so that those can be machined and assembled reasonably.
The muzzle break is now in to pieces. The arrowhead and the post.


The barrel is also being held in place by two pins. They should prevent the barrel from rotating and since they're not screws, they should be fairly well hidden since the holes aren't that big.

Alright. So that's it for right now. More will be coming up soon. Need to finish a couple parts and get the scope mounting system figured out. Anyways, enjoy!





































































